Desorbsiya elektrolitik sistemi nədir və müasir qızıl hasilatı üçün nə üçün vacibdir

2026-04-21 - Mənə bir mesaj buraxın

TheDesorbsiya elektrolitik sistemimüasir qızıl hasilatı, xüsusilə də karbon-in-pulpa (CIP) və karbon-in-leach (CIL) proseslərində mühüm texnologiyadır. Bu bloq sistemin necə işlədiyini, onun komponentlərini, üstünlüklərini və niyə onun qızılın səmərəli bərpasında standarta çevrildiyini araşdırır. Biz həmçinin şirkətlərin necə bəyəndiyini vurğulayırıqEPİKbu sahədə yeniliklərə təkan verir. Sonda siz bu sistemin məhsuldarlığı necə artırdığına, xərcləri azaltdığına və bərpa dərəcələrini yaxşılaşdırdığına dair hərtərəfli anlayışa sahib olacaqsınız.

Desorption Electrolytic System

Mündəricat


Desorbsiya elektrolitik sistemi nədir

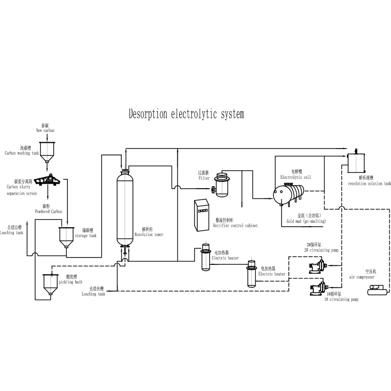
A Desorbsiya elektrolitik sistemiaktivləşdirilmiş karbondan qızıl çıxarmaq üçün istifadə edilən qabaqcıl qızıl bərpa sistemidir. Qızılın yuyulma prosesi zamanı karbon hissəciklərinə udulduğu mədən əməliyyatlarında geniş tətbiq olunur.

  • Desorbsiya: Yüksək temperatur və yüksək təzyiqli məhlullardan istifadə edərək qızılı karbondan təmizləyir
  • Elektroliz: qızılı məhluldan katodlara qaytarır
  • Qapalı dövrə sistemi: Səmərəliliyi və minimum itkini təmin edir

Bu sistem bərpa səmərəliliyinin artırılması və əməliyyat xərclərinin azaldılması üçün vacibdir və onu müasir qızıl emalı zavodlarında əsas komponentə çevirir.


Desorbsiya elektrolitik sistemi necə işləyir

İş prinsipi aDesorbsiya elektrolitik sistemiiki əsas mərhələni əhatə edir:

  1. Desorbsiya mərhələsi:Qızıl yüklü karbon isti qələvi siyanid məhlulu ilə işlənir, qızıl ionlarını buraxır.
  2. Elektroliz mərhələsi:Qızılla zəngin məhlul, qızılın polad yun katodlarına çökdüyü elektrolitik hüceyrədən keçir.

Proses yüksək səmərəliliyi təmin edir və davamlı işləməyə imkan verir, buna görə şirkətlərin sistemləri bəyənirEPİKsənaye tətbiqlərində geniş istifadə olunur.


Sistemin Əsas Komponentləri

Komponent Funksiya
Desorbsiya sütunu Aktivləşdirilmiş karbon saxlayır və qızılın çıxarılmasını asanlaşdırır
Elektrolitik hüceyrə Elektroliz yolu ilə qızılı bərpa edir
İstilik dəyişdiricisi Lazım olan temperaturu saxlayır
Filtr sistemi Məhluldan çirkləri təmizləyir
Nəzarət Sistemi Əməliyyatı avtomatlaşdırır və parametrlərə nəzarət edir

Hər bir komponent sistemin səmərəli və ardıcıl işləməsini təmin etmək üçün mühüm rol oynayır.


Texniki Üstünlüklər və Xüsusiyyətlər

  • Yüksək qızıl çıxarma dərəcəsi (98%-ə qədər)
  • Aşağı enerji istehlakı
  • Azaldılmış əmək xərcləri üçün avtomatlaşdırılmış əməliyyat
  • Kosmosdan səmərəli istifadə üçün kompakt dizayn
  • Minimum emissiya ilə ekoloji cəhətdən təmiz

İstehsalçılar bəyənirlərEPİKinkişaf edən sənaye tələblərinə cavab vermək, daha yaxşı performans və etibarlılığı təmin etmək üçün bu sistemləri davamlı olaraq optimallaşdırın.


Qızıl emalında tətbiqlər

TheDesorbsiya elektrolitik sistemigeniş istifadə olunur:

  • Qızıl mədən zavodları
  • CIP (Carbon-in-Pulp) əməliyyatları
  • CIL (Carbon-in-Leach) prosesləri
  • Qızıl tullantılarının çıxarılması

Onun çox yönlü olması onu həm iri miqyaslı sənaye mədənçilik, həm də səmərəliliyi artırmaq istəyən kiçik əməliyyatlar üçün uyğun edir.


Ənənəvi üsullarla müqayisə

Xüsusiyyət Desorbsiya elektrolitik sistemi Ənənəvi üsullar
Səmərəlilik Yüksək Orta
Avtomatlaşdırma Tam avtomatlaşdırılmışdır Əl və ya yarı avtomatik
Xərc Aşağı uzunmüddətli xərc Daha yüksək əməliyyat dəyəri
Ətraf Mühitə Təsir Aşağı Daha yüksək

Aydındır ki, müasir sistem ənənəvi qızıl çıxarma üsulları ilə müqayisədə əhəmiyyətli üstünlüklər təmin edir.


Alıcılar üçün seçim bələdçisi

Seçərkən aDesorbsiya elektrolitik sistemi, aşağıdakı amilləri nəzərə alın:

  • Emal gücü
  • Avtomatlaşdırma səviyyəsi
  • Enerji səmərəliliyi
  • İstehsalçı reputasiyası (məsələn, EPIC)
  • Satış sonrası dəstək

Düzgün sistemin seçilməsi uzunmüddətli əməliyyat uğurunu və maksimum investisiya gəlirini təmin edir.


Baxım və İstismar Məsləhətləri

  • Boru kəmərlərini və klapanları mütəmadi olaraq yoxlayın
  • Temperatur və təzyiq səviyyələrini izləyin
  • Elektrolitik hüceyrələri vaxtaşırı təmizləyin
  • Köhnəlmiş komponentləri dərhal dəyişdirin
  • İstehsalçı təlimatlarına ciddi əməl edin

Düzgün qulluq sistemin ömrünü əhəmiyyətli dərəcədə uzadır və ardıcıl performansı təmin edir.


Tez-tez verilən suallar

1. Desorbsiya elektrolitik sisteminin əsas məqsədi nədir?

Onun əsas məqsədi aktivləşdirilmiş karbondan qızılı səmərəli şəkildə çıxarmaq və bərpa etməkdir.

2. Sistem nə dərəcədə səmərəlidir?

Əksər sistemlər iş şəraitindən asılı olaraq 95%-dən çox qızıl çıxarma dərəcəsinə nail olurlar.

3. Sistem ekoloji cəhətdən təmizdirmi?

Bəli, müasir sistemlər emissiyaları minimuma endirmək və kimyəvi tullantıları azaltmaq üçün nəzərdə tutulub.

4. Onu fərdiləşdirmək olarmı?

Bəli, EPIC kimi şirkətlər emal tələblərinə əsasən fərdiləşdirilə bilən həllər təklif edir.

5. Hansı sənayelər bu sistemdən istifadə edir?

İlk növbədə qızıl mədən sənayesi, həm də qiymətli metalların bərpası tətbiqlərində.


Nəticə

TheDesorbsiya elektrolitik sistemimisilsiz səmərəlilik, etibarlılıq və ətraf mühit performansı təklif edən qızıl çıxarma texnologiyasında sıçrayışı təmsil edir. kimi sənaye liderlərinin davamlı irəliləyişləri iləEPİK, bu sistem müasir mədən əməliyyatları üçün getdikcə vacib hala gəlir. Əgər siz qızıl hasilatı prosesinizi optimallaşdırmaq və gəlirliliyi artırmaq istəyirsinizsə, yüksək keyfiyyətli sistemə investisiya qoymaq ağıllı seçimdir.Bizimlə əlaqə saxlayınehtiyaclarınız üçün uyğunlaşdırılmış həlləri necə təmin edə biləcəyimizi öyrənmək üçün bu gün.

Sorğu göndərin

X
Biz sizə daha yaxşı baxış təcrübəsi təklif etmək, sayt trafikini təhlil etmək və məzmunu fərdiləşdirmək üçün kukilərdən istifadə edirik. Bu saytdan istifadə etməklə siz kukilərdən istifadəmizlə razılaşırsınız. Məxfilik Siyasəti