Desoronsiya elektrolitik sistem
  • Desoronsiya elektrolitik sistem Desoronsiya elektrolitik sistem

Desoronsiya elektrolitik sistem

Peşəkar istehsalçıdan biri olaraq, epik sizə yüksək keyfiyyətli desorepsiya elektrolitik sistemini təmin etmək istəyir. Və sizə ən yaxşı satışdan sonrakı xidmət və vaxtında çatdırılma təklif edəcəyik.

Sorğu göndərin

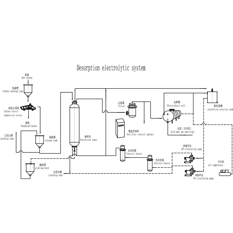
Məhsul təsviri

Təcrübəli bir istehsalçı olmaq, epik sizə ən yaxşı desorepsiya elektrolitik sistemi təklif etmək məqsədi daşıyır. Satışdan sonrakı dəstək və sürətli çatdırılma ilə sizə təqdim edəcəyimizi vəd edirik. Anionun aktivləşdirilmiş karbon adsorbsiya desorpsiya sistemi ilə daha asan əlavə etməklə, beləliklə AU (CN) 2 "əvəzini dəyişir. Qızıl yüklü karbonun desorbsiyası ilə əldə edilən maye, bərk qızıl əldə etmək üçün ionlaşma tərəfindən bərpa olunur. Təchizat Xarici

1, yüksək temperatur, yüksək təzyiq, heç bir siyanid, desorbsiya avtomatik idarəetmə, yüksək saman, yay istehlakı, sürətli

Xüsusiyyətlər: 

A.High effektivliyi: Qızıl yüklənmiş karbon sinfi 3000 q / t çatdıqda, desorfiksiya dərəcəsi 96% -dən çoxuna çata bilər və yoxsul karbon sinifi, adi desorpsiya elektrolitikləri ilə müqayisədə kasıb karbon qiyməti 3-4 dəfə artırmaq olar

Cihaz:

B.Fastepsiya elektroliz temperaturu, digər modellərə nisbətən 30-55 ℃ (30-55 ℃ digər modellərdən 30-55 ℃ daha yüksək) qədər yüksək ola bilər. 

3 dəfə: C.Low istehlakı: Desoronsiya elektrolitik temperatur eynidir, istilik ötürülməsi, istilik ötürülməsi, buna görə də ümumi enerji istehlakı adi sistemin 1 / 2-1 / 4/4-dür.

2. Heç bir siyanid yoxdur: desorbsiya həlli natrium siyanid, ucuz qiymətə, çirklənmə əlavə etmək lazım deyil:

3, yüksək dərəcəli qızıl palçıq, tərs elektroliz, asan hasilat;

4, avtomatik idarəetmə: Maye səviyyəli idarəetmə sistemini, temperatur nəzarət sistemini və avtomatik idarəetmə sistemini xüsusi olaraq təyin edin;

5, Təhlükəsizlik: Üçqat təhlükəsizliyin qorunması tədbirləri, yəni sistemin özü ağıllı, avtoratik təzyiq təzyiq buraxma mexanizmi, sığorta təhlükəsizliyi klapan.

Qaynar Teqlər: Desoronsiya elektrolitik sistem
Sorğu göndərin
Sorğunuzu aşağıdakı formada verməkdən çekinmeyin. 24 saat ərzində sizə cavab verəcəyik.
X
Biz sizə daha yaxşı baxış təcrübəsi təklif etmək, sayt trafikini təhlil etmək və məzmunu fərdiləşdirmək üçün kukilərdən istifadə edirik. Bu saytdan istifadə etməklə siz kukilərdən istifadəmizlə razılaşırsınız. Məxfilik Siyasəti