Siyanidləmə avadanlığı qızılın bərpasını və sahənin təhlükəsizliyini necə yaxşılaşdırır?

2026-01-08 - Mənə bir mesaj buraxın

Əgər siz nə vaxtsa siyanidləşmənin "effektiv, lakin stresli" olduğunu hiss etmisinizsə, bunu təsəvvür etmirsiniz. Kimya işləyir, lakin gündəlik reallıq qarışıq ola bilər: dəyişən filiz, reagentin həddindən artıq xərclənməsi, karbon itkiləri, gözlənilməz fasilələr və təhlükəsiz və ardıcıl işləmək üçün daimi təzyiq. Bu məqalə nəyi parçalayırSianidləmə Avadanlığıhəqiqətən sizin üçün etməli, satın almadan əvvəl nə soruşmalı və ən bahalı səhvlərdən necə qaçınmalısınız.


mücərrəd

MüasirSianidləmə Avadanlığısadəcə çənlər dəsti deyil - bu, yuyulma şəraitinə nəzarət etmək, bərpanı stabilləşdirmək, reagent tullantılarını azaltmaq və sianidlə işləməni proqnozlaşdırıla bilən saxlamaq üçün nəzərdə tutulmuş əlaqəli sistemdir. Alıcılar adətən dörd ağrı nöqtəsi ilə mübarizə aparır: qeyri-ardıcıl bərpa, yüksək əməliyyat xərcləri, zəif təhlükəsizlik nəzarəti və texniki baxım baş ağrıları. Aşağıda siz tədarükçülərlə söhbətlər zamanı istifadə edə biləcəyiniz siyanidləmə modullarının (qələviləşdirmə, adsorbsiya, desorbsiya/elektrokininq, detoks və alətlər), seçim matrisi, istismara vermə tövsiyələri və tez-tez verilən suallar bölməsinin praktiki, bitki döşəməsi görünüşünü əldə edəcəksiniz.


Mündəricat


Bir baxışda kontur

  • “Mənə sianidləşmə lazımdır” sözünü tam, idarə olunan avadanlıq sahəsinə çevirin.
  • Hansı modulun itkilərinizə səbəb olduğunu müəyyən edin (bərpa, reagent, karbon və ya dayanma vaxtı).
  • Filiz növü və məhdudiyyətləriniz üçün həlləri müqayisə etmək üçün sadə matrisdən istifadə edin.
  • Zəif dizaynları tez üzə çıxaran yoxlama siyahısı ilə təchizatçı görüşlərinə daxil olun.

Real Alıcının Ağrı Nöqtələri

İnsanlar alış-veriş edərkənSianidləmə Avadanlığı, onlar tez-tez "Mənə daha yüksək bərpa lazımdır" deyirlər. Onların adətən nəzərdə tutduqları budur: “Mənə filiz dəyişdikdə, operatorlar fırlananda və sayt uzaqda olduqda belə yüksək səviyyədə qalan bərpaya ehtiyacım var.” Budur təkrar-təkrar ortaya çıxan ağrı nöqtələri:

  • Bərpa yelləncəklərifiliz dəyişkənliyi, üyüdülmə problemləri, oksigen məhdudiyyətləri və ya zəif pH nəzarəti nəticəsində yaranır.
  • Reagent dəyərinin artmasısiyanidin və ya əhəngin həddindən artıq dozasından "təhlükəsiz olmaq üçün".
  • Karbon problemləriçirklənmə, aşınma itkisi və ya zəif adsorbsiya kinetikası kimi.
  • Boş vaxtnasosun/klapanların nasazlığından, aşındırıcı şlamın aşınmasından və ya çətin əldə edilən sxemlərdən.
  • Təhlükəsizlik stressisiyanidin saxlanması, dozası və fövqəladə hallara cavab verməyə hazırlığı ətrafında.

Yaxşı avadanlıq dizaynı bütün mürəkkəbliyi aradan qaldırmır, lakin ehtimalları aradan qaldırmalıdır.


“Sianidləmə Avadanlığına” nələr daxildir

Cyaniding Equipment

Ən azı,Sianidləmə Avadanlığıbu funksiyaları dəstəkləyən sistem kimi başa düşülməlidir:

  • Yuyulma: həll üçün vaxt, qarışdırma və kimyəvi nəzarəti təmin edin.
  • Qızıl tutma: aktivləşdirilmiş karbon (CIP/CIL) və ya yağış yollarına adsorbsiya.
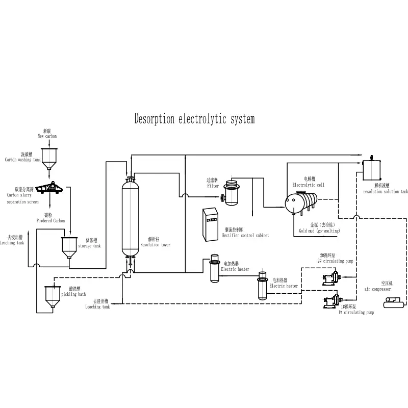
  • Qızılın bərpası: desorbsiya və elektrokazanma (və ya alternativ bərpa sxemləri).
  • Detoks və tullantıların idarə edilməsi: qalıq siyanidi məqbul səviyyələrə endirin.
  • Alətlər və nəzarət: pH, həll olunmuş oksigen, axın və dozanı ölçün və sabitləşdirin.

Təchizatçı yalnız "tanklar" haqqında danışırsa, onları bütün axını və nəzarət nöqtələrini müəyyən etmək üçün itələyin. Laboratoriya şəraitində sianidləşmə bağışlayıcıdır; xaotik tarla şəraitində bağışlayan deyil.


Oredən Doreyə qədər aydın bir proses xəritəsi

Hər bir bitki fərqli olsa da, əksər siyanidləşmə marşrutları tanınan bir onurğa sütununu izləyir. Təklif olunan paketin tam olub olmadığını yoxlamaq üçün bu xəritədən istifadə edin:

Mərhələ Nəyə nail olmalıdır Tipik “Gizli” Risk
Ön müalicə (lazım olduqda) Qızılı əlçatan edin və sianid istehlakının artmasının qarşısını alın Preg-robbing, yüksək mis və ya reaktiv sulfidlərə məhəl qoymamaq
Yuyulma Stabil qarışdırma, idarə olunan pH və kifayət qədər oksigen Ölü zonalar, zəif oksigen transferi, zəif əhəng sistemindən nizamsız pH
Adsorbsiya (CIL/CIP) Həll edilmiş qızılı səmərəli şəkildə ələ keçirin Yanlış karbon ölçüsü/ötürmə metodu; karbon itkiləri
Elüsyon / Desorbsiya Qızılı karbondan etibarlı şəkildə soyun Uyğun olmayan istilik/axın aşağı soyma səmərəliliyinə gətirib çıxarır
Elektrodöymə / Eritmə Dore bərpa edin və istehsal edin Kiçik ölçülü hüceyrələr, zəif elektrolit idarəsi, çamurla işləmə problemləri
Detoks Atılmadan/tullantılardan əvvəl qalıq siyanidin miqdarını azaldın Dizayn ötürmə qabiliyyəti dəyişkənliyinə və ya tullantıların kimyasına uyğun gəlmir

Əsas modullar və nəyi yoxlamaq lazımdır

1) Yuyulma çənləri və qarışdırma

  • Qarışdırma dizaynı məhlulun sıxlığına və aşındırıcılığına uyğundurmu?
  • Sistem filiz dəyişkənliyi altında sabit pH saxlaya bilərmi?
  • Saytınızda oksigen əlavə etmək praktikdirmi (və dizaynda oksigen transferi nəzərə alınır)?
  • Planlaşdırma çarxları, laynerləri və podşipnikləri asan yoxlamağa imkan verirmi?

2) Karbonun adsorbsiyası və ötürülməsi

  • Səhnələrarası ekranlar karbon ötürülməsinin qarşısını almaq üçün kifayət qədər möhkəmdirmi?
  • Karbon transferi qırılma və itkiləri azaltmaq üçün hazırlanmışdır?
  • Dizayn təmizliyə və karbon inventarına nəzarətə uyğundurmu?

3) Desorbsiya və elektroqazanma

  • Elüsyon dövrəsi karbon yükləmə gözləntilərinizə uyğun gəlirmi?
  • İstilik və axın nəzarətləri sabitdirmi (“operatordan asılı deyil”)?
  • Şlamın emalı doğaçlama deyil, planlaşdırılıbmı?

4) Sianidin dozası və ölçülməsi

  • Dozalama bloklamalarla avtomatlaşdırılıb, yoxsa sırf əl ilə?
  • Həqiqi mina mühitində kalibrləmə və sensorun saxlanması planı nədir?
  • Nümunə götürmə nöqtələri təhlükəsiz və yaxşı yerləşdirilib, yoxsa sonradan düşünülüb?

5) Detoks

  • Detoks dizaynı axıdılması hədəflərinizə və tullantıların kimyasına əsaslanırmı?
  • Qısamüddətli sıçrayışları dayandırmağa məcbur etmədən idarə edə bilərmi?

Praktik göstəriş:Kağız üzərində daha ucuz görünən təklif tez-tez əməliyyatlara xərclər gətirir - əlavə siyanür, əlavə əhəng, əlavə texniki qulluq və daha "qəhrəmanca" operator davranışı. Hesab daha sonra gəlir.


Ölçü və spesifikasiyanın əsasları

Büdcənizi qoruyan ölçülərə dair suallar vermək üçün metallurq olmağa ehtiyac yoxdur. üçünSianidləmə Avadanlığı, əsas ölçü məntiqi ötürmə qabiliyyəti, qalma müddəti və kütlə ötürülməsi ətrafında fırlanır. Hər hansı son dizaynı qəbul etməzdən əvvəl bu girişlərin açıq şəkildə ifadə olunduğundan əmin olun:

  • Dizayn ötürmə qabiliyyəti(orta və pik, üstəgəl gözlənilən mövsümi dəyişkənlik).
  • Hədəf üyütmə ölçüsüvə dəyirman daha qaba drifts nə baş verir.
  • Leach yaşayış vaxtıvə sınaqlara və ya fərziyyələrə əsaslanıb-əsaslanmadığını.
  • pH və qələvilik planı(əhəng hazırlığı və dozanın sabitliyi daxil olmaqla).
  • Oksigen strategiyası(hava, oksigen və ya heç biri) və kinetikaya gözlənilən təsir.
  • Karbon inventar(nə qədər karbon, harada oturur və necə izlənilir).

Təchizatçı bunları sadə dildə izah edə bilmirsə, bunu texniki deyil, risk siqnalı kimi qəbul edin.


Həqiqətən Dayanan Təhlükəsizlik və Sianid Nəzarəti

Təhlükəsizlik divardakı afişa deyil. Sianidasiya ilə o, fiziki dizayna və gündəlik nəzarətə daxil edilmişdir. GüclüSianidləmə Avadanlığıpaketlərə adətən daxildir:

  • Saxlama və köçürmə daxildiraydın tökülmə yolları və bağlama məntiqi ilə.
  • Qarışıq dozajona görə də əsas şərtlər yerinə yetirilmədikdə siyanid əlavə edilə bilməz.
  • Aydın nümunə dizaynırutin yoxlamalar zamanı məruz qalma riskini azaldır.
  • Fövqəladə vəziyyətə hazırlıqəlavə sənəd deyil, əməliyyat prosedur dəstinin bir hissəsi kimi.

Alıcının nöqteyi-nəzərindən işiniz sadədir: təklifi insanların sistemlə necə qarşılıqlı əlaqədə olduğunu göstərməyə məcbur edin. Onlar harada dayanırlar? Nəyə toxunurlar? Avadanlıqları necə təcrid edirlər? Saat 2-də nasosun möhürünün nasazlığına necə cavab verirlər?


Əməliyyat xərcləri həqiqətən haradan gəlir

Bir unsiya üçün dəyəriniz yuxarıya doğru sürüşürsə, bu, adətən bir dramatik uğursuzluq deyil - bu, birləşən sistemdə kiçik sızmalardır. Sianidləşmədə ən çox görülən xərclər bunlardır:

  • Siyanür istehlakıreaktiv minerallar, həddindən artıq dozada vərdişlər və ya zəif nəzarət dövrələri ilə idarə olunur.
  • Əhəng istehlakıpH nəzarəti qeyri-sabit olduqda və ya şlam kimyası yaxşı başa düşülmədikdə.
  • Karbon itkisiköhnəlmə, ekran problemləri və ya zəif ötürmə dizaynı ilə.
  • Güc və texniki qulluqhəddindən artıq ajiotajdan, az işlənmiş köhnəlmiş hissələrdən və çətin xidmət göstərilməsi planlarından.
Simptom Ehtimal olunan Kök Səbəb Kömək edən Avadanlıq Xüsusiyyəti
Filiz dəyişdikdə bərpa azalır pH/DO qeyri-sabitliyi; zəif qarışdırma; qeyri-kafi yaşayış vaxtı Güclü təşviqat, daha yaxşı idarəetmə cihazları, çevik çən tutumu
Siyanid xərcləri artmaqda davam edir Həddindən artıq dozada; yüksək sianid istehlak edən minerallar; zəif ölçmə Nəzarət olunan dozaj, etibarlı nümunə götürmə nöqtələri, daha ağıllı bloklamalar
Karbon ehtiyatı “müəmmalı şəkildə” azalır Ekranın nasazlığı; transfer itkiləri; aşınma Davamlı mərhələlərarası ekranlar, zərif ötürmə dizaynı, aydın karbon uçotu
Tez-tez bağlanmalar Aşınma hissələri, nasosun möhürlənməsi, giriş problemləri Aşınmaya davamlı materiallar, texniki xidmətə giriş, standartlaşdırılmış ehtiyat hissələri

Etibarlılıq və Baxım Dizaynı

Cyaniding Equipment

Sianidləşmə dövrəsi “tamamlanmış” görünə bilər və əgər texniki xidmət nəzərdə tutulmayıbsa, hələ də etibarsız ola bilər. Təchizatçının necə yanaşmasını soruşun:

  • Material seçimiaşındırıcı şlam zonaları və siyanidlə təmas zonaları üçün.
  • Girişekranlara, çarxlara, astarlara, nasoslara və alətlərə.
  • Ehtiyat hissələri strategiyasısaytınızın reallığına uyğundur (göndərmə vaxtı, logistika, stoklama).
  • Standartlaşdırmaunikal geyim əşyalarının sayını azaltmaq.

Uzaqdan idarə olunan əməliyyatlarda “baxmaq asan” “kağız üzərində bir az daha səmərəli” olmaqdan daha dəyərli ola bilər.


Təchizatçıya Verməli olduğunuz Suallar

Görüşlərdə bu yoxlama siyahısından istifadə edin. Söhbəti müzakirəyə çevirmədən, zəif təklifləri tez bir zamanda üzə çıxarmaq üçün nəzərdə tutulmuşdur.

  • Hansı filiz riskləri aradan qaldırılır və hansılar üçün fəal şəkildə işlənir?
  • Yaşayış vaxtı, pH diapazonu və oksigen strategiyası üçün dizayn girişləri hansılardır?
  • Sianidin dozası necə idarə olunur və sensor nasazlığı zamanı nə baş verir?
  • Rutin əməliyyatlarda karbon itkisinin qarşısı necə alınır və ölçülür?
  • Ekranlar, qarışdırıcılar və nasoslar üçün texniki giriş planı nədir?
  • Hər növbə üzrə tövsiyə olunan operator yoxlamaları hansılardır və onlar necə təhlükəsizdir?
  • Hansı istismar dəstəyi daxildir və hansı operator təlimi verilir?

Təchizatçıları qiymətləndirirsinizsə, bu, tam siyanidləşmə paketini təmin edə bilən və inteqrasiya detallarını dəstəkləyən istehsalçı ilə danışmağa kömək edə bilər. Məsələn, Qingdao EPIC Mining Machinery Co., Ltd.sianidləşdirmə paketlərinin ayrılmış çənlər dəsti deyil, sistemlər kimi qəbul edildiyi mədən emalı avadanlığı həllərini təqdim edir - yuyulma, adsorbsiya, bərpa və nəzarət.


Tez-tez verilən suallar

Siyanidləmə Avadanlığını əsas deyil, “müasir” edən nədir?

Müasir dizaynlar idarə oluna bilən və təkrarlana bilənliyə diqqət yetirir: sabit dozaj, etibarlı ölçmə, daha təhlükəsiz nümunə götürmə, aşınmaya davamlı qorunma və operatorun improvizasiyasını azaldan planlar. Məqsəd daha az reagent tullantıları və daha az bağlanma ilə ardıcıl bərpadır.

Siyanürmə Avadanlığı aşağı dərəcəli filizi qənaətlə idarə edə bilərmi?

Ola bilər, ancaq dövrə sizin kinetik və istehlak profiliniz ətrafında qurulduqda. Aşağı dərəcəli əməliyyatlar reagentin həddindən artıq xərclənməsinə və dayanma müddətinə həssas olur, buna görə də nəzarət sistemləri, aşınma dizaynı və karbonun idarə edilməsi xüsusilə vacib olur.

CIP və ya CIL-ə ehtiyacım olub olmadığını necə bilə bilərəm?

Seçim adətən yuyulmanın kinetikasından və həll olunmuş qızılın nə qədər tez tutulmasından asılıdır. Qızıl sürətlə əriyirsə və siz dərhal ələ keçirmək istəyirsinizsə, CIL cəlbedici ola bilər. Əgər yuyulma adsorbsiyadan əvvəl ayrılmadan fayda verirsə, CIP daha yaxşı uyğunlaşa bilər. Metallurgiya sınaqları və praktiki sahə məhdudiyyətləri qərara səbəb olmalıdır.

Niyə sianid istehlakı bəzən birdən-birə yüksəlir?

Ümumi səbəblərə filiz mineral dəyişiklikləri, zəif pH nəzarəti, gözlənilməz oksigen məhdudiyyəti və ya proses suyunda çirklənmə daxildir. Yaxşı nəzarət planı və etibarlı nümunə götürmə nöqtələri bu sünbüllərin diaqnozunu və tez düzəldilməsini asanlaşdırır.

Saytım uzaqdadırsa və işçi heyəti azdırsa, nəyə üstünlük verməliyəm?

Əllə idarəetməni azaldan texniki xidmət və avtomatlaşdırmaya üstünlük verin: davamlı ekranlar, əlçatan avadanlıq sxemi, standartlaşdırılmış ehtiyat hissələri, kilidlənmiş dozaj və “bir mütəxəssis operatora” etibar etməyən aydın əməliyyat rejimləri.


Toplama

AlışSianidləmə Avadanlığıson nəticədə qeyri-müəyyənliyin azaldılması ilə bağlıdır. Kimya sübut oluna bilər, lakin gəlirliliyiniz ardıcıl nəzarətdən, praktik baxımdan və real insanlarla real növbələrdə işləyən təhlükəsizlikdən asılıdır. Yeni bir zavod planlaşdırırsınızsa və ya mövcud dövrəni təkmilləşdirirsinizsə, filiz reallıqlarınızı, məhsuldarlıq hədəflərini və sahə məhdudiyyətlərini cədvələ gətirin və sianidləşməni tam, idarə olunan sistem kimi nəzərdən keçirən təklifdə israr edin.

Sianidləşdirmə planınızı etibarlı, qənaətcil əməliyyata çevirməyə hazırsınız?Filiz növünüzü, hədəf tutumunuzu və sahə şərtlərinizi paylaşın vəbizimlə əlaqə saxlayınzavodunuza və operatorlarınıza uyğun olan praktiki avadanlıq konfiqurasiyasını müzakirə etmək.

Sorğu göndərin

X
Biz sizə daha yaxşı baxış təcrübəsi təklif etmək, sayt trafikini təhlil etmək və məzmunu fərdiləşdirmək üçün kukilərdən istifadə edirik. Bu saytdan istifadə etməklə siz kukilərdən istifadəmizlə razılaşırsınız. Məxfilik Siyasəti